Choose your
language

Musique : Sirtaki


Le sirtaki (sirtáki ou syrtáki, en grec συρτάκι) est une danse populaire d'origine grecque.

Malgré sa renommée mondiale, ce n'est pas une danse authentiquement traditionnelle de Grèce.

En fait, elle fut créée en 1964 pour le film Zorba le Grec d'un mélange de version lente et rapide de la danse hasapikos (hasápikos / χασάπικος). La musique est de Míkis Theodorakis.


Une distinction notable de cette musique est son tempo qui s'accélère progressivement, le rythme passant de 4/4 à 2/4. Les pas, lents et près du sol au début, deviennent plus légers et plus sautés.


Le sirtáki vient du grec syrtos, désignant un groupe traditionnel de danses grecques avec un style particulier opposé au pidikhtos, qui favorise le style sauté ou avec des rebonds. Malgré cela, le sirtáki incorpore aussi bien le syrtos (lent) que le pidikhtós (rapide).

Le sirtáki se danse en cercle ouvert ou en ligne, les mains sur les épaules des voisins. La formation en ligne est plus traditionnelle.


Source: Wikipédia

Anticythère (grec moderne : Αντικύθηρα) est une petite île grecque située au sud-est du Péloponèse,

entre l'île de Cythère et la Crète.


On y a découvert en 1900 un artefact archéologique antique qui fut baptisé « machine d'Anticythère » ainsi que des statuettes en bronze, conservées aujourd'hui au Musée national archéologique d'Athènes.


Source: Wikipédia

La machine d’Anticythere

Les textes et photos présents sur cette page sont extraits de différents sites Internet, et ceci  dans le seul but d’apporter à la rubrique « les horloges remarquables » un exemple de  la provenance lointaine de l’art des roues dentées, par  l’existence de cet objet extraordinaire et complexe, et ainsi  de vous donner l’envie d’en savoir plus.

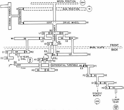
Il m’a semblé important d’évoquer, entre autres, la machine d’Anticythere pour le mécanisme complexe de roues dentées, préfigurant de plusieurs siècles nos horloges astronomiques.

Le simple mot « d’Anticythere » vous emmènera sur des sites divers et très complets.

Elle fut découverte en 1900 dans une épave près de l’île d’Anticythere par deux pécheurs. Elle est datée de 87 avant JC.

L’identité de l’inventeur est débattue : Archimède, Hipparque, Posidonios, ou Geminos.

Nous vous souhaitons une bonne recherche de tous ces rouages d’univers.

Source: Wikipédia

Gérard Guilbaud

Anticythere

(Grèce)

Patrimoine-Horloge ©   Politique de confidentialité ; Conditions d’utilisation

Haut de Page